Multiple service centers nationwide support complete mining solutions.Creating the ultimate user experience through design and technology
International Hotline:+86-18737190684

Product Center

Professional Mining Machinery and Equipment Supplier

Normal Temperature and Normal Pressrue Desorption Electrolysis System

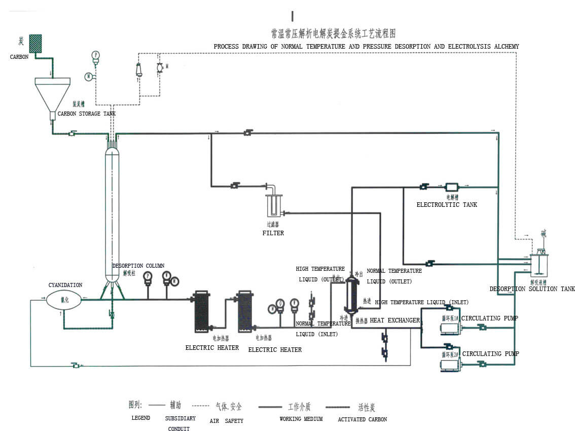
The ambient temperature and pressure desorption electrolysis equipment consists of an electric heater, a washing column, a heat exchanger, an electrolytic cell, and a pump. The desorption temperature is 120±10℃, the operating pressure is 0.2±0.1MPa, the electrolysis temperature is 90-98℃, and the processing time for gold-loaded carbon is 30-36 hours per batch. A certain amount of sodium cyanide needs to be added to the desorption solution.

  • Applicable Materials
  • Gold mines: Processing gold-loaded carbon from CIP/CIL processes;
  • Heap leaching and tank leaching processes: Recovering gold-loaded carbon after leaching low-grade gold ore;
  • Environmentally friendly gold extraction projects: Suitable for areas where cyanide or flammable solvents are prohibited;
  • Small to medium-sized concentrators: Low investment, short construction period, suitable for enterprises with limited funds;
  • Research and pilot lines: Can be used for new process verification and small-batch production.
Safe and Reliable
Well Made
Custom Design
Quality Assurance
Inquiry NowContact Us
Contact Number +86-18737190684
  • Product Details
  • Technical Parameters
  • Online Message

The ambient temperature and pressure desorption electrolysis system is a highly efficient and environmentally friendly device used in gold extraction processes to recover gold from gold-loaded carbon. It is widely applied in the carbon-in-pulp (CIP) or carbon-in-leach (CIL) gold extraction processes in small and medium-sized gold mines. Operating under ambient temperature and pressure conditions, this system eliminates the need for high temperature, high pressure, or flammable organic solvents, significantly reducing energy consumption and safety risks. It represents a significant technological direction in recent years for replacing traditional high-temperature and high-pressure desorption processes.

Working Principle

The ambient temperature and pressure desorption-electrolysis system achieves efficient gold recovery through the synergistic effect of chemical reagents and electrochemical processes. Its core process is as follows:

  1. Desorption Process: Gold-loaded carbon is placed in a desorption column. A specific cyanide-free desorption solution (such as an alkaline aqueous solution or a composite reagent) is circulated and eluted at ambient temperature (approximately 80–100℃) and atmospheric pressure. Utilizing the principle of ion exchange, the gold-cyanide complex [Au(CN)₂⁻] is desorbed from the activated carbon surface into the solution, forming a gold-containing precious solution.
  2. Electrolysis Process: The precious solution enters the electrolytic cell. Under the action of direct current, gold ions are reduced and deposited on the cathode surface as gold mud. The anode is typically made of an insoluble material (such as a titanium plate) to avoid contaminating the electrolyte.
  3. Closed-Loop Circulation: The desorption solution can be reused, and the system operates in a closed loop, reducing reagent consumption and wastewater discharge.

Some advanced equipment (such as the SK series) adopts electroless direct gold precipitation technology, which uses special chemical precipitants (such as GSR) to directly precipitate gold in precious solutions into gold mud, eliminating the electrolysis step and further simplifying the process.

常温常压解吸电解系统产品结构

Product Structure

A typical ambient temperature and pressure desorption electrolysis system consists of the following core modules:

  • Desorption Column: Contains the gold-loaded carbon and desorption solution, providing ample contact time and exhibiting excellent sealing and insulation properties.
  • Electrolytic Cell (or Gold Precipitation Reactor): Used for the electrolytic deposition or chemical precipitation of gold in precious metal solutions.
  • Heating System: Electric heater or steam heater to maintain the temperature required for desorption.
  • Circulation Pump and Piping System: Enables the circulation and transport of the desorption solution and precious metal solution.
  • Filter: Removes impurities and particles from the precious metal solution, protecting the electrolysis system.
  • Electrical Control Cabinet and Automatic Control System: Enables automatic monitoring and adjustment of parameters such as temperature, pressure, liquid level, and current.
  • Water Treatment System (some models): Purifies the circulating solution, extending its service life.

Product Advantages

  1. Safe Operation: No high temperature, high pressure, or cyanide required; safe and reliable operating environment.
  2. Energy Saving and Environmental Protection: Power consumption is only 1/4 to 1/2 of conventional systems, with no toxic waste gas or liquid emissions.
  3. Low Cost: Eliminates the costs of pyrometallurgical regeneration, electrolysis equipment maintenance, and sodium cyanide procurement.
  4. High Gold Sludge Grade: Gold sludge obtained from precipitation or electrolysis can reach a purity of 95% to 99%, facilitating subsequent smelting.
  5. Good Residual Carbon Activity: Desorbed lean carbon does not require pyrometallurgical regeneration and can be directly reused in adsorption operations, saving regeneration costs.
  6. High Degree of Automation: Equipped with an intelligent control system, enabling one-button start/stop, fault alarms, and remote monitoring.
  7. Small Footprint: Compact structure, suitable for on-site installation and mobile operation in small and medium-sized mines.
FacebookLinkedInXPinterestWhatsApp
Processing Capacity of Gold-Loaded Carbon (Kg/Batch) Operate Pressure (MPa) Desoption Temperature (℃)< Power (kW) Grade of
Lean Carbon (g/t)
150 0.2±0.1 120±10 34.4 <200
300 0.2±0.1 120±10 34.4 <200
500 0.2±0.1 120±10 66 <200
1000 0.2±0.1 120±10 89 <200
1500 0.2±0.1 120±10 89 <200

If you have any needs or questions, please leave a message and we will reply to you as soon as possible!

Tel

Service Hotline: +86-18737190684

Whatsapp
Wechat
Message

Contact us for 24/7 dedicated service!